一站采购,价格优势
原厂采购,品质保证
专人跟进,节约时间
综合工业品供应商
欢迎来到理津
|
所有产品
|
所有品牌
|
快速下单
|
登陆
/
注册
|
帮助
0
自动化及电子、电气零部件
传感器·变送器
PLC·视觉·条码·机器人
低压电器·电源
显示·控制·过程仪表
开关、蜂鸣器与信号灯
电气接线、安装
箱体、风扇、空调及静电
机械零部件及相关
气动、空压、液压及油压
传动、随动及旋转零件
直线运动
马达、减速机及电动机
配管零件
定位、紧固、磁铁、连接、门零件
脚轮、调整块、型材、管材
弹簧、缓冲、小零件、材料
温度、检查、模块、装置
仪器仪表、装置设备
测量与测试
环境设备
通用设备
实验室用品
劳保、包装、清洁、化学品
劳保、标识、安防
包装、存储、胶带
搬运及脚轮
清洁、静电及无尘
车间化学品
办公用品
工具
手工具
电动工具
气动工具
测量工具
切削刀具
机床工具
焊接、切割
专用工具
磨削及研磨用品
公共设施相关产品
水系统
泵
照明
制冷、供暖、通风及空调
电池、充电器
油类输送系统
首页
自动化及电子、电气零部件
开关、蜂鸣器与信号灯
控制开关
拨动开关
通用VDE的拨动开关
通用VDE的拨动开关
点击订货号查看价格,了解更多请
登录
,
享受优惠请拨打4008-824-824
三浦订货号:
制 造 商:
埃菲(APEM)
制造商编号:
单 价:
计价 方式:
发 货 日:
数 量:
-
+
立即购买
加入购物车
目录下载
手册下载
共
14
个 型 号 符 合 条 件
筛选条件
已选条件
.
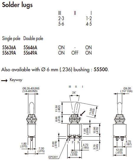
119646/55636A/通用VDE的拨动开关
119647/55639A/通用VDE的拨动开关
119648/55646A/通用VDE的拨动开关
119649/55649A/通用VDE的拨动开关
119650/55236A/通用VDE的拨动开关
119651/55239A/通用VDE的拨动开关
119652/55246A/通用VDE的拨动开关
119653/55249A/通用VDE的拨动开关
119654/55236WA/通用VDE的拨动开关
119655/55239WA/通用VDE的拨动开关
119656/55246WA X433/通用VDE的拨动开关
119657/55249WA X433/通用VDE的拨动开关
119658/55236Z/通用VDE的拨动开关
119659/55239ZA/通用VDE的拨动开关
型号列表
产品介绍
参数规格
产品目录
/
-
产品页
最近浏览过的产品
AV6010系列 高性能、远距离图像式条...
PCV系列 逆止阀
PC02系列 空压诱导止回阀
PR系列圆柱形接近传感器
S80系列距离传感器(测量距离)
MSO5000B系列 混合信号示波器
UTD2000EX系列 数字储存示波器
UTD4000-4CH系列 数字储存示波器(四...
最近搜索过的产品
产品中心
自动化及电子、电气零部件
机械零部件及相关
仪器仪表、装置设备
劳保、包装、清洁、化学品
工具
公共设施相关产品
行业案例
实验室自动化
装配和测试
橡胶/塑料机械行业
零售行业
瓶装水行业
制造行业
帮助中心
搜索帮助
下载帮助
购物帮助
下单帮助
人工服务
解决方案
物流行业
印刷行业
食品饮料行业
输送设备行业
机床行业
汽车制造行业
联系方式
销售热线:4008 824 824
公司总机:0755-23881000
企业邮箱:Info@sanpum.com